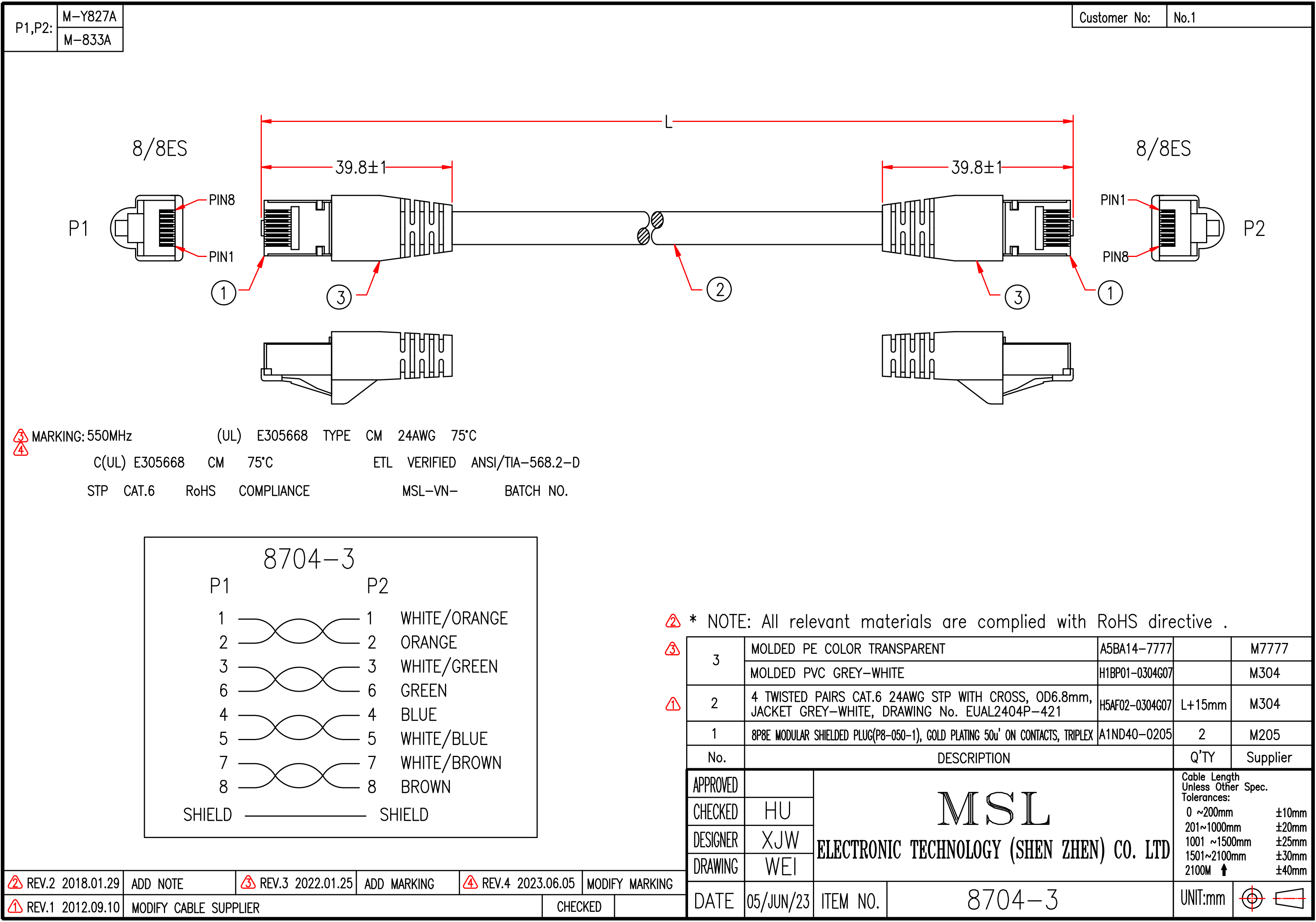
| Line number | 8704-3 |
|---|---|
| length | 1FT - 100FT |
| Plug number | A1ND40-0205 |
| Wire specification | STP CAT.6 #24 4PR OD6.8 (EUAL2404P-421) |
| colour | WHITE |
| Reference safety | UL、CSA、ETL、TIA、EIA |
| Note | LENGTH: 7FT, 10FT |
CAT.6 STP
Reviews
(0)
(0)
(0)
(0)
(0)
0
0 Reviews
WRITE A REVIEW

